四川五部门发文:零碳园区建设进入“可核算时代”
安科瑞刘鸿鹏172 一 ⑥⑨⑦② 一 5322
摘要
在“双碳”战略背景下,零碳园区已成为推动工业绿色转型与区域能源结构优化的重要抓手。四川人民政府网发布的五部门联合印发《关于开展零碳工厂建设工作的指导意见》,进一步明确了零碳工厂/园区建设从“示范试点”走向“标准化推广”的方向。本文面向园区综合能源系统在建设与运行过程中存在的“数据割裂、调度粗放、碳排核算困难、绿电消纳不足、运维成本高”等问题,提出基于EMS3.0微电网智慧能源管理平台的零碳园区建设路径。研究表明:通过对园区“源网荷储充”全链路的实时监测、功率预测、优化调度、运行控制与碳排管理,可有效提升绿电利用率与用能效率,降低用电成本与碳排强度,形成可核算、可持续优化的零碳运营体系。
关键词:零碳园区;源网荷储充;微电网;碳排管理;优化调度;虚拟电厂
引言:零碳园区建设进入“算得清、管得住”的阶段
当园区推进零碳建设,普遍经历了从“上项目”到“抓运营”的转变:早期更多聚焦光伏、储能、充电桩等设备投资,但随着政策考核、碳资产管理、绿电消纳要求的提升,园区管理者逐步发现——零碳园区的核心不在设备数量,而在系统协同能力。
尤其在四川推动零碳工厂建设的政策导向下,零碳目标不再是“宣传标签”,而是必须满足可量化、可核算、可披露的要求。这意味着园区需要一个具备“运行型”能力的能源中枢,实现从“能耗统计”升为“碳排治理”,从“事后报表”升为“事预测+事中控制”。
零碳园区运行痛点与关键矛盾分析
多源异构数据导致“看得见但管不了”
园区典型特征是业态复杂、站点分散:光伏分布在多个屋顶,储能分布在不同配电房或集装箱,充电桩与生产负荷并存。由于设备品牌、协议、计量口径不统一,容易形成数据孤岛,出现“有数据、没闭环”的现象。
绿电消纳与负荷曲线错配导致减碳效果受限
光伏出力集中在中午,园区生产负荷高峰往往出现在傍晚或夜间,导致绿电利用率难以MAX
化。若缺乏储能与负荷柔性调控,园区往往只能被动弃光或外送,影响经济性与政策合规性。
碳排核算难:减碳成果无法被验证与沉淀
零碳园区建设必须形成“碳账本”,但现实中常见问题是:碳排口径不一致、部门责任难分、缺少同环比分析与盘查报告基础数据,导致减碳成果难以对外证明,也无法形成碳资产管理能力。
运行控制与安全风险并存
新能源高渗透率带来功率波动、电能质量、并网考核(如逆流)等问题;储能并离网切换、关键负荷保障、充电桩集中接入等也提高了供电系统安全与稳定运行难度。
场景分析
从目现有需求来看,“源网荷储”项目建设应用场景大致可以分为三类。
EMS3.0的零碳园区“能源碳排”双闭环方案
平台定位:园区的“能源中枢”
EMS3.0微电网智慧能源管理平台面向园区源网荷储充协同运行需求,构建从端侧感知到边缘控制再到云端管理的整体架构,具备数据接入、运行监测、预测、调度、控制、碳排管理、智能运维与资源聚合等能力,可作为零碳园区的统一能源操作系统。
系统架构
协调控制功能
平台功能
系统界面
全景监测:把园区电力流与碳排流“同屏呈现”
平台支持对园区“源网荷储”等全量运行数据进行存储展示、状态检测与告警,并直观呈现电量、成本、设备运行与碳排等关键指标,使园区具备统一的运行态势感知能力,为后续预测与调度奠定数据基础。
功率预测:让调度从“经验”走向“算法”
针对分布式能源、充电站、空调、常规负荷等对象,平台可开展分类预测,并覆盖日、日内多个时间尺度。这一能力在零碳园区中为关键:预测越准确,储能充放电策略越合理,绿电消纳越充分,碳排与成本越可控。
优化调度:在成本、碳排与安全之间找
优
解
平台具备经济优化调度能力,可围绕“能耗
优
、成本
低
、碳排少”等目标进行策略求解,同时兼顾电压稳定、功率平滑等安全约束,并支持需求侧响应的电网互动策略,实现园区从“被动用电”向“主动参与电力系统”转型。
运行控制:把策略真正落到设备上
零碳园区需要的是“能执行的控制”,而非“只展示的看板”。平台支持覆盖多场景运行控制策略,例如防逆流、新能源消纳、需量控制、柔性扩容、有序充电与负荷柔性控制等,可实现策略自动下发与闭环执行,使园区具备持续优化的运行能力。
碳排管理:零碳园区必须具备“可核算、可盘查、可披露”的能力
在政策导向下,零碳园区不仅要“减排”,更要“能证明减排”。平台支持企业、部门、区域多维度碳排监控,可进行碳排统计与同环比分析,并输出月/年报表与碳盘查报告相关数据,为园区建立
长时
有效的碳排管理体系提供支撑。
这意味着园区可实现:将碳排从“年度汇总”变为“日常运营指标”;将减碳从“口号”变为“可审计的数据资产”;将碳管理从“被动应付”变为“主动经营”
资源聚合与虚拟电厂:零碳园区的下一阶段是“参与市场”
零碳园区未来的竞争力,不止是用能低碳,更是能否成为电力系统的灵活调节资源。平台可聚合园区内光伏、储能、充电桩及空调柔性负荷,以虚拟电厂子站方式接入上层聚合商或虚拟电厂平台,释放调节能力,拓展需求响应、辅助服务等收益空间,实现“减碳+增收”的双目标。
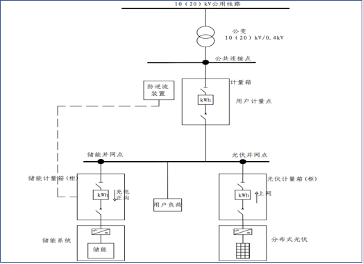
场景方案配置
低压侧并网
硬件设备列表
高压侧并网
硬件设备列表
结语:零碳园区不是“造景”,而是“运营系统”——EMS3.0就是园区的能源中枢
如果用一句话概括零碳园区的建设逻辑,那就是:
零碳园区要先建“能源中枢”,再谈“零碳目标”。
EMS3.0微电网智慧能源管理平台,把园区的光伏、储能、充电、负荷与配电安全统一纳入“源网荷储充”体系,通过预测、优化调度、运行控制、碳排管理与智能运维,帮助园区实现从“能耗管理”到“碳排治理”的跨越。
在四川零碳工厂建设政策加速推进的当下,零碳园区的竞争不再是谁装得多,而是谁跑得稳、算得清、控得住、收益高。
而这,恰恰是EMS3.0擅长的地方。
审核编辑 黄宇
